Különleges akciók elérhetők! Ne hagyja ki a nagyszerű ajánlatokat!

Egyoszlopos emelő 2.5t teherbírással, elektromos zárkioldással
Termékkód: SF-M2500E 230V
Sokoldalúan alkalmazható a kis helyigény és a mobil kialakítás miatt. 2500kg teherbírás, elektromos zárkioldás, 1850mm emelési magasság, IP65 védettség
🔴 Elfogyott
Bruttó ár:
1 678 106 Ft

Egyoszlopos emelő 2.5t teherbírással, elektromos zárkioldással

Egyoszlopos emelő 2.5t teherbírással, elektromos zárkioldással

Egyoszlopos emelő 2.5t teherbírással, elektromos zárkioldással
Termékleírás
Ismertetés
- Mobil egyoszlopos emelő, tökéletesen alkalmas kis műhelyek számára vagy kiegészítő javító állomásként
- A mobil kialakítás lehetővé teszi a szabadban történő működést (ha az időjárás is lehetővé teszi), sima és kemény talajon
- Az erős, masszív és megerősített alaplemezek biztosítják a stabil emelést
- A csúszó karok könnyedén beállíthatók az emelési pontokhoz
- Elektrohidraulikus emelő rendszer
- Elektromos biztonsági zár kioldás, automatikus reteszelés
- Automatikus csápkar rögzítés az emelés megkezdésekor, rögzítés feloldása a leeresztés végén
- 3 fokozatú magasító adapter alacsony alvázú gépjárművekhez ugyanúgy, mint városi terepjárókhoz
- Zuhanásgátló szelep a hidraulikus rendszer sérülése esetén
- Alapkivitelben ajtónyitás védő gumi
- Láncvédő CE szabvány szerint
- Lábvédő CE szabvány szerint
- IP65 védettség, kül- és beltéren is alkalmazható
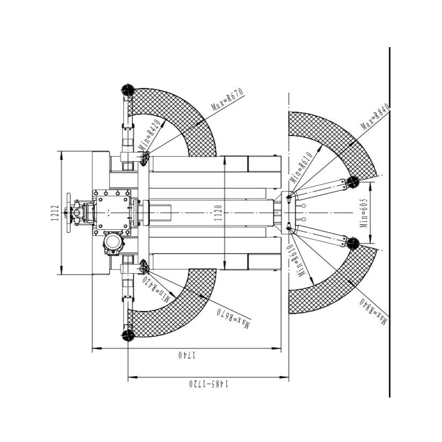
Technikai adatok
Teherbírás | 2500kg |
Emelési magasság | 1850mm |
Minimális magasság | 125mm |
Emelési idő | 35mp |
Leeresztési idő | 30mp |
Tápellátás | 230V |
Motor teljesítmény | 2.2kW |
Külső méretek | 1850x1400x2500mm |
A berendezés telepítését, üzembe helyezését, emelőgép vizsgálatát, és üzemeltetői kötelességeket a rendelet (47/1999. (VIII. 4.) GM rendelet, Emelőgép Biztonsági Szabályzat kiadásáról) szerint kell alkalmazni, ettől eltérő esetekben garancia vesztéssel jár.
Termék csomagolás
Csomagszám | Méretek | Súly |
---|---|---|
1 | 177 x 145 x 90 cm | 526 kg |
2 | 251 x 60 x 48 cm | 284 kg |
Szállítási díj
Szállítási mód | Bruttó ár |
---|---|
Átvétel Nagytarcsán | 0 Ft |
Átvétel Debrecenben | 0 Ft |